Selenith
Projets, mémos et reflexions personnelles

Raccorder des micros onduleurs à son tableau électrique

Publié le 21/04/2026

Vous êtes plusieurs à m'avoir demandés comment on raccorde des panneaux avec micro onduleur à son installation électrique. Le schéma de raccordement avec quelques indications importantes est disponible dans cet article.

Tableau elec d'illustration

⚠️ Avertissement ⚠️

Manipuler son installation électrique n'est pas sans risque, vous risquez de graves blessures voir même la mort. Vous devez donc prendre les mesures de sécurité nécessaires lorsque vous travaillez.

Je ne ne pourrais être tenu pour responsable des dégâts physique et matériels survenu suite à une intervention faite après avoir lu le présent article.

Ainsi, avant toute intervention vous devez porter le matériel de protection requis en fonction du chantier (gants isolants, lunettes de protections, chaussures isolantes, etc), couper l'alimentation des sections sur lesquels vous allez travailler et disposer des habilitations nécessaires si la situation l'exige.

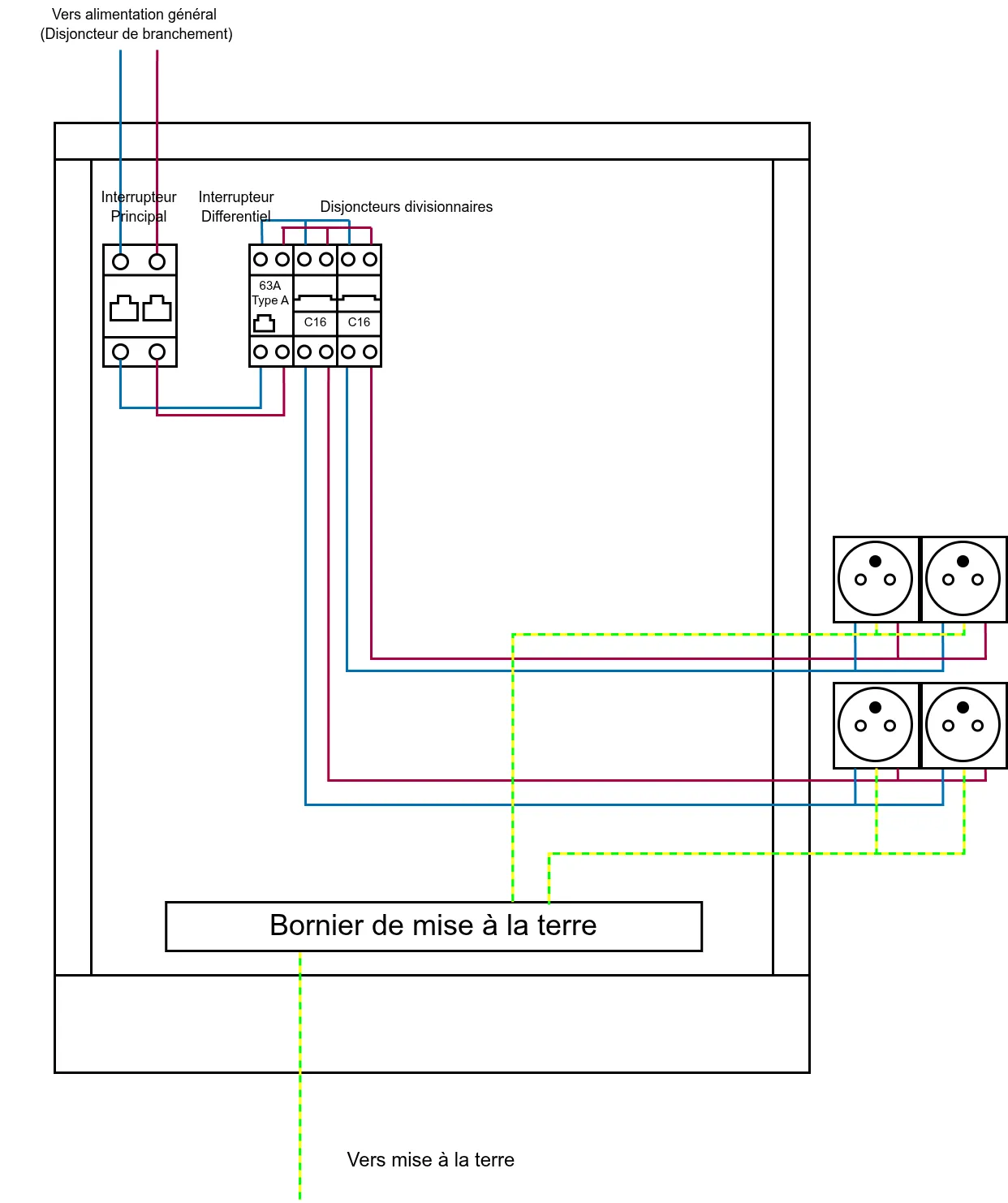
Le schéma de principe

Voila le Schéma :

Schéma du tableau électrique

Le Schéma du tableau électrique. cliquer pour agrandir.

C'est un schéma d'installation pour 4 micro onduleurs avec chacun deux panneaux. Chaque onduleur peut fournir au maximum 800W de puissance et dispose de sa propre prise dédiée. Le tout peut donc produire au maximum 3200W. Les prises sont groupées par deux sur chacune des lignes. Le type de câble utilisé pour le raccordement est du U1000R2V 2.5mm². C'est un peu plus cher que du 1.5mm² mais ça permet d'avoir de la marge en terme de sécurité, de longueur et s'il faut faire évoluer le système par la suite.

Choix des éléments

Dans cette configuration on va créer une nouvelle ligne dans le tableau avec en tête de ligne un interrupteur différentiel de 63A Type A afin de respecter la loi de l'amont (calibre de l'interrupteur différentiel supérieur ou égal au calibre du disjoncteur de branchement EDF). Attention, pour que cette règle fonctionne, vous devez vérifier que votre disjoncteur de branchement n'excède pas les 63 Ampère (sinon il faudra faire le calcul selon la règle de l'aval si vous souhaitez ajouter des éléments sur la ligne par la suite). Dans la plupart des cas, les disjoncteurs de branchement des habitations sont calibrés à 60 Ampère pour des installations de 12kW (et 45A pour les installations en 9kW), cette configuration devrait donc vous convenir en l'état.

Le choix du type A pour l'interrupteur différentiel en tête de ligne est valide si vos micros onduleurs disposent d'un transformateur haute fréquence avec isolation galvanique entre ses circuit internes en courant continue et alternatif. C'est le cas de la quasi-totalité des micros onduleurs plug&play du commerce, mais vous devez vous en assurer en lisant la fiche produit.

Exemple pour les miens (des EZ1 de chez APSystems) :

Fiche produit

On utilisera un disjoncteur divisionnaire 16A (noté C16) pour chacun des deux câbles alimentant les prises.

Pour les prises extérieures, il convient d'utiliser des prises étanches (norme IP55 minimum) 16A minimum (c'est le standard).

Note : il peut être intéressant financièrement de mettre plutôt un interrupteur différentiel de 40A (presque 2 fois moins cher), mais vous aurez une ligne bien moins évolutive et vous risquez de devoir quand même acheter un 63A si vous voulez dépasser les 3 ou 4 disjoncteurs divisionnaire sur la ligne. Ça reste suffisant si vous voulez uniquement mettre les panneaux et la domotique sur cette ligne. A vous de voir.

Raccordement à l'existant

Après avoir coupé l'alimentation principale, démontez le cache du tableau en dévissant les 4 vis en plastique au niveau des 4 coins du cache.

Si votre tableau n'est pas trop mal fait, l'interrupteur principal devrait être connecté à un bornier (sur lequel sont raccordés les autres lignes de votre installation actuelle) avec quelques emplacements de raccordement vides. C'est à partir de là que vous allez pouvoir brancher votre nouvelle ligne.

Exemple de bornier en haut du tableau avec le neutre à gauche en bleu et la phase en rouge à droite :

Bornier phase et neutre

En partant du bornier, vous allez pouvoir raccorder la phase et le neutre au nouvel interrupteur différentiel via les fils appropriés par en dessous. Puis ajouter les deux disjoncteurs divisionnaire sur la ligne grâce à un peigne d'alimentation coupé à la bonne longueur (ou protégé par des petits caches en plastique sur les connecteurs non utilisés).

Une fois la manipulation faite il ne vous reste plus qu'a brancher les câbles qui vont jusqu'aux prises extérieurs.

Ca doit vous donner quelque chose comme ceci :

Branchement des câbles

Une fois que c'est fais, vous devez raccorder le fil de terre des câbles qui viennent des prises au bornier de terre en bas du tableau.

Exemple de bornier de mise à la terre :

Bornier de mise à la terre

Vous pouvez ensuite remettre le cache en place et revisser les vis en plastique.

Note : Si vous voulez plus d'information sur les branchements possibles, vous pouvez consulter les documents du CONSUEL qui permettent de valider la mise en sécurité d'une installation avec le ficher SC144C2_2 et surtout sa fiche d'aide avec pleins d'exemples en bas du document.

La suite ?

Avec ça vous devriez avoir une installation basique mais fonctionnelle et qui ne risque pas d'envoyer votre maison sur orbite. Dans cet article on verra comment ajouter sur ce montage un shelly qui permet de mesurer la consommation/production de votre installation et commencer à faire un minimum d'automatisation, indépendamment de l'application fournie par le fabricant de vos onduleurs.